Calculating the power load for 7188 or 9188 power distribution units
Learn how to calculate the power load for power distribution units.
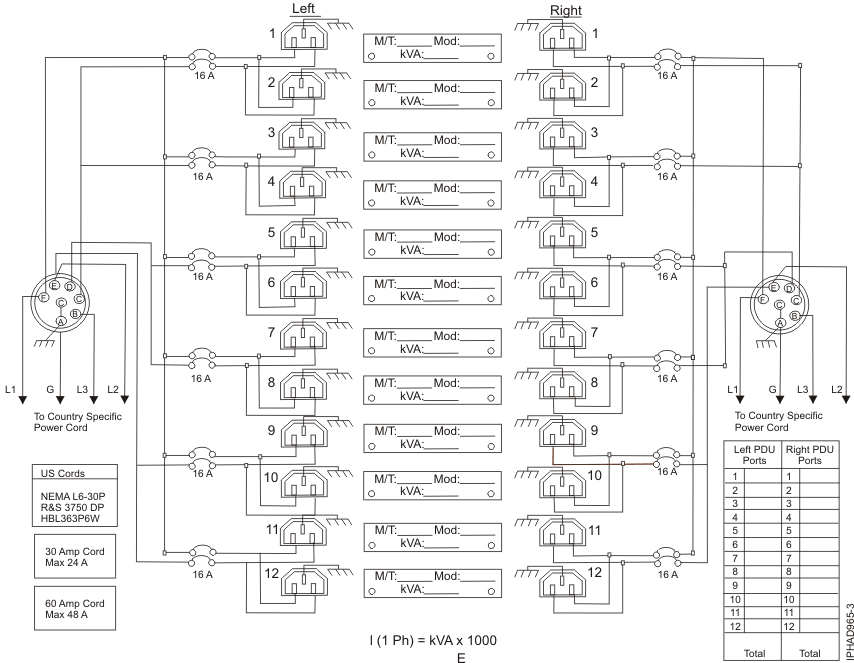
Rack-mounted 7188 or 9188 power distribution unit
Learn about the power loading requirements and proper loading sequence for the 7188 or 9188 power distribution unit.
The IBM® 7188 or 9188 rack-mounted
power distribution unit (PDU) contains 12 IEC 320-C13 outlets that
are connected to six 20 amps (A) circuit breakers (two outlets per
circuit breaker). The PDU employs an inlet current that allows various
power cord options that are listed in the following chart. Based on
the power cord that is used, the PDU can supply from 24 amps to 63
amps.
| Feature code | Power cord description | Amps |
|---|---|---|
| 6489 | Power cord, PDU to wall, 4.3 m (14 ft), 230 V ac, 3 phase wye, Souriau UTG, IEC 60309, 3P+N+E plug | 96 A (32 A x 3) |
| 6491 | Power cord, PDU to wall, 4.3 m (14 ft), 200 - 240 V ac, single phase, Souriau UTG, IEC 60309, P+N+E plug | 63 A |
| 6492 | Power cord, PDU to wall, 4.3 m (14 ft), 200 - 240 V ac, single phase, Souriau UTG, IEC 60309, 2P+E plug | 60 A (48 A derated) |
| 6653 | Power cord, PDU to wall, 4.3 m (14 ft), 230 V ac, 3 phase wye, Souriau UTG, IEC 60309, 3P+N+E plug | 48 A (16 A x 3) |
| 6654 | Power cord, PDU to wall, 4.3 m (14 ft), 200 - 240 V ac, single phase, Souriau UTG, plug type 12 plug | 30 A (24 A derated) |
| 6655 | Power cord, PDU to wall, 4.3 m (14 ft), 200 - 240 V ac, single phase, Souriau UTG, plug type 40 plug | 30 A (24 A derated) |
| 6656 | Power cord, PDU to wall, 4.3 m (14 ft), 200 - 240 V ac, single phase, Souriau UTG, IEC 60309, P+N+E plug | 32 A |
| 6657 | Power cord, PDU to wall, 4.3 m (14 ft), 200 - 240 V ac, single phase, Souriau UTG, plug type PDL plug | 32 A |
| 6658 | Power cord, PDU to wall, 4.3 m (14 ft), 200 - 240 V ac, single phase, Souriau UTG, plug type KP plug | 30 A (24 A derated) |
| 6667 | Power cord, PDU to wall, 4.3 m (14 ft), 230 - 240 V ac, 3 phase wye, PDL 56P532 | 96 A (32 A x 3) |
Loading requirements
The power loading of
the 7188 or 9188 PDU must follow these rules:
- Total power load that is connected to the PDU must be limited to below the amperage that is listed in the table.
- Total power load that is connected to any one circuit breaker must be limited to 16 A (derating of circuit breaker).
- Total power load that is connected to any one IEC320-C13 outlet must be limited to 10 A.
Note: The load on the PDU when a dual line configuration is used
is only half the total load of the system. When you are calculating
the power load on the PDU, you must include the total power load of
each drawer even if the load is distributed over two PDUs.
Loading sequence
Follow these loading sequence steps:
- Collect power requirements for all units that are connected to the 7188 or 9188 PDU. See your server specifications for specific power requirements.
- Sort list by total power that is required from highest power draw to lowest power draw.
- Connect highest power drawer to outlet 1 on circuit breaker 1.
- Connect next highest power drawer to outlet 3 on circuit breaker 2.
- Connect next highest power drawer to outlet 5 on circuit breaker 3.
- Connect next highest power drawer to outlet 7 on circuit breaker 4.
- Connect next highest power drawer to outlet 9 on circuit breaker 5.
- Connect next highest power drawer to outlet 11 on circuit breaker 6.
- Connect next highest power drawer to outlet 12 on circuit breaker 6.
- Connect next highest power drawer to outlet 10 on circuit breaker 5.
- Connect next highest power drawer to outlet 8 on circuit breaker 4.
- Connect next highest power drawer to outlet 6 on circuit breaker 3.
- Connect next highest power drawer to outlet 4 on circuit breaker 2.
- Connect next highest power drawer to outlet 2 on circuit breaker 1.
Following these rules allow the load to be distributed more evenly across the six PDU circuit breakers. Ensure that your total power load is below the maximum that is listed in the table and that each circuit breaker is not loaded above 16 A.
